四川麥克威通風設備有限公司
咨詢熱線:028-82630900
手機:13881905158
傳真:028-82630433
郵箱:mcwell@qq.com
辦公:成都市青羊區光華東三路489號西環廣場2棟
廠址:成都市金堂淮口工業區節能大道(國染大道)
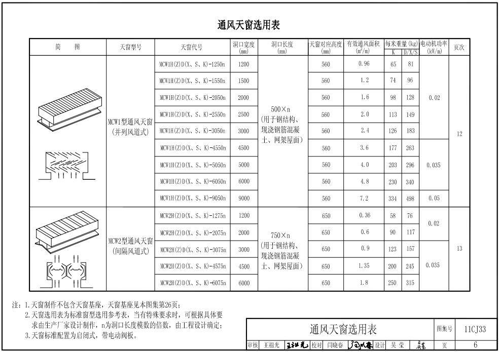
圖集11CJ33通風天窗選用表之薄型天窗
圖集11CJ33《通風天窗》是中國建筑設計標準研究院同四川麥克威科技有限公司聯合主編的一本通風天窗標準參考圖集,在圖集中為我們詳細講解了幾種通風天窗以及電動采光排煙天窗的標準做法,為我們的廣大企業客戶提供了一個廠房屋頂天窗參考。今天小小麥就為大家簡要介紹一下這本圖集中所提及到的薄型天窗的相關內容。
圖集11CJ33薄型天窗類型,包括:
1.MCW1型通風天窗,即并列風道式通風天窗。
2.MCW2型通風天窗,即間隔風道式通風天窗。
薄型天窗,無論是MCW1型通風天窗還是MCW2型通風天窗均采用模塊單元組合,能夠滿足客戶對于通風天窗不同尺寸的要求。薄型天窗的高度一般較低,普遍小于630mm。薄型天窗相較于其他一些高容量的通風天窗來說,耗鋼量少,能夠降低企業廠房總投資,是現目前工業廠房中較為常用的通風天窗類型。
圖集11CJ33薄型天窗標準窗型選用參考表:
本參考表主要是為廣大客戶提供一個參考標準。當客戶有特殊要求的時候,可以根據客戶的具體要求由生產廠家進行研發、設計、制作。在這里“n”為洞口長度模數的倍數,由工程設計進行確定。麥克威通風作為11CJ33圖集的主編單位(圖集免費下載),經驗豐富,產品質量過硬,服務到家,在行業內外擁有極高的美譽度和滿意度。更多麥克威通風標準圖集資訊敬請關注麥克威網站(m.qd-jinghua.com.cn)或致電麥克威專線(028-82630900).
熱點產品 / Hot Products
“推薦閱讀”
- 2025-01-07必看!速覽 21j621 - 1《天窗》分類詳情
- 2024-02-12圓拱型采光排煙天窗的多種功能如何兼顧
- 2023-08-09介紹TC10A型薄型通風天窗的可選配件






川公網安備 51010502010565號
掃一掃更精彩
掃一掃

